NPC-T Screw Clamp
· How to use
Insert a steel plate into the inside end of the clamp's jaw opening and then completely tighten the screw.
· Application
A screw clamp for hanging the hook of a lever block when building vessels and manufacturing(attaching) construction plants.
· Features
The NPC-T are screw clamps used to prevent accidents caused by the widening, slipping or breakage of the hook because the load is concentrated at the end of the hook when hanging the hook of a lever block and a chain block directly on a work piece.
When using with a lever block, the NPC-T is efficient clamps designed to simultaneously perform the up-and-down straight line work which is between the eye hole at the upper side and the screw at the lower side, and the lateral work which is in either way of thele ft and the right.
The NPC-T is safe clamps designed to prevent a work piece from slipping as the jaw opening of the clamp gets smaller by the slope which is proportional to the load on the spherical swivel jaw built in the jig bearing which works as gearing on the opposite side of the screw.
· Warning
Do not exceed the rated capacity specified on the clamp.
Use a work piece only which falls within the jaw opening range specified in the instruction manual.
If the load is placed laterally, not straightly, on the eye hoel, use only 1/2 of the rated capacity.
Never vertically erect a work piece with this model.
For horizontal lifting, the clamping point must be two or more. When clamping, the clamps must face each other, not look in one direction
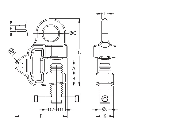
· SPECIFICATION:
| WLL(TON) | Jaw Opening | A | B | C | D1 | D2 | E | F | øG | øH | I | øJ | K | Weight (Kg) |
|---|---|---|---|---|---|---|---|---|---|---|---|---|---|---|
| 1.5 | 0-25 | 26 | 30 | 165 | 24 | 28 | 15 | 135 | 40 | 17 | 19 | 28 | 17 | 2.8 |
| 3 | 0-35 | 40 | 34 | 198 | 27 | 33 | 20 | 160 | 42 | 22 | 20 | 30 | 22 | 4.7 |
| 5 | 0-50 | 52 | 50 | 264 | 37 | 50 | 32 | 218 | 58 | 27 | 28 | 40 | 27 | 11.5 |
| 7.5 | 0-45 | 50 | 48 | 257 | 40 | 50 | 35 | 226 | 55 | 30 | 35 | 40 | 80 | 14.5 |